產品名稱
非紅外防爆高清網絡筒機-20倍200萬
特性簡述
雙重防爆認證,防爆標志:Ex dII CT6 Gb/ExtD A21IP68 T80℃,最低照度:彩色0.05Iux@1.6;支持ICR紅外濾光片式自動切換;聚焦快速準確;數字寬動態
規格型號
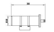
產品型號:HQ-811
防爆標志:Ex dII CT6 Gb/ExtD A21IP68 T80℃
防護等級:IP68
傳感器類型:1/2.8" Progressive Scan CMOS
掃描系統:逐行掃描
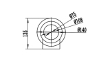
防爆標志:Ex dII CT6 Gb/ExtD A21IP68 T80℃
防護等級:IP68
傳感器類型:1/2.8" Progressive Scan CMOS
掃描系統:逐行掃描

上一個:沒有了下一個:非紅外防爆高清網絡筒機-23倍200萬