產品型號 |
HQ-811 |
防爆標志 |
Ex dII CT6 Gb/ExtD A21IP68 T80℃ |
防護等級 |
IP68 |
傳感器 |
1/2.8英寸CMOS |
水平解析度 |
1100TVL |
最大圖像尺寸 |
1920*1080 |
最低照度 |
彩色:0.002Lux黑白:0.000 5Lux(紅外燈開啟) |
增益控制 |
自動/手動 |
3D降噪 |
支持 |
2D降噪 |
支持 |
信噪比 |
≥55dB |
白平衡 |
自動/手動/跟蹤/室外/室內/室外自動/鈉燈 |
電子快門 |
1/1~1/3000 0s |
電子防抖 |
支持 |
透霧功能 |
電子透霧 |
背光補償 |
支持 |
寬動態 |
支持 |
強光抑制 |
支持 |
智能雨刷 |
支持 |
數字變倍 |
16倍 |
日夜模式 |
自動ICR濾光片彩轉黑 |
聚焦模式 |
自動/半自動/手動 |
焦距 |
5.0mm~115mm |
變倍速度 |
約4s |
視場角 |
水平:57.6°~2.24° |
近攝距 |
100mm~1000mm(近焦到遠焦) |
光學變倍 |
30倍 |
光圈值 |
F1.6~F3.5 |
主碼流分辨率及幀率 |
50Hz:25fps(1920x1080).50fps(1920x1080),25fps(1280x960).50fps(1280x720).
25fbs(1280x720).50fps(1280x720)60Hz:30fps(1920x1080)60fps(1920x1080),30fps(1280x960).60fps(1280x720). |
子碼流及分辨率及幀率 |
50Hz:25fps(1920x1080),25fps(352x228)60Hz:30fps(704x480)30fps(352x240) |
第三碼流分辨率及幀率 |
50Hz:25fps(1920x1080).25fps(1280x960)25fps(1280x720)25fps((352x288)60Hz:30fps(1920x1080)30fps(1280x960).30fps(1280x720).30fps(704x480).30fps(352x240) |
視頻壓縮 |
H.265/H.264BaselineP rofile/H.264 ighrofil/M-JPEG |
音頻壓縮 |
G.711a/G.711Mu/AAC/G.722/G.726/MPEG2-L2 |
語音對講 |
支持 |
網絡協議 |
IPv4/IPv6.HTTP.HTTPS.802.1XQ0s.FTP,SMTP,Upnp,SNMP,DNS,
DDNS,NTSP ,RTP, TCP,UDP,IGMP,DHCP,PPPoE |
ROI |
支持 |
SVE |
支持 |
區域聚焦 |
支持 |
應用編程接口 |
支持軟件集成開放式API,支持標準協議(Onvif,CGI,GB/T28181).支持大華SDK,和第三方管理平臺接入 |
瀏覽器 |
支持IE7以上版本(包含IE7)谷歌,火狐,蘋果等非IE瀏覽器 |
同時預覽用戶數 |
最多20路(總寬帶64M) |
安全模式 |
授權的用戶和密碼,以及MAC地址綁定:HTTPS加密:IEEE802.1X網絡訪問控制。(白名單) |
用戶管理 |
多級用戶權限管理 |
模擬接口 |
支持 |
網絡接口 |
帶尾板RS485;波特率支持1200.2400.4800.9600bps。VISCA232;波特率固定9600無尾板;默認38400,也可依據WEB端的云臺設置網絡云臺的波特率去調整 |
儲存功能 |
支持MicroSD卡儲存,最大容量128GB |
紅外距離 |
無 |
波長 |
無 |
紅外開關 |
照度低于0Lux自動開啟 |
音頻接口 |
1進1出(可選配) |
報警接口 |
1進1出(可選配) |
溫度范圍 |
~40℃~+60℃ |
供電方式 |
DC12V18W/AC85V~260V/POE(可選配) |
產品材質 |
304不銹鋼(化工 ,酸堿等強腐蝕性環境使用) |
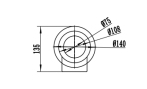
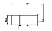
進線孔規格 |
2個G3/4”進線孔 |
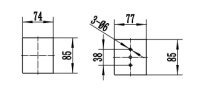
安裝方式 |
電動云臺,萬向節,固定支架,立柱 |
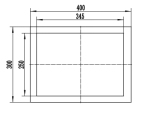
產品重量 |
6.5kg |